■特長
●インジェクターリング・エアガイドにより遠距離送風を実現。
35cmタイプで0.5m/sの風が最大40mに到達。
●モータの軸受にウレアグリースを採用し、軸受の高耐久化を実現。
●インバータ制御運転が可能。
(三菱送風機用インバータをご使用ください。)
●45℃高温環境に対応。
従来機種の周囲温度-10℃~+40℃に対して、周囲温度-10℃~+45℃を実現。
●特殊フリンジャ及び接触形シール付ベアリングの採用により、水・ほこりの侵入をシャットアウト。高圧水洗浄が可能。
水圧2MPa(20kgf/c㎡)以下。
●ZAMを採用し高耐食。
インジェクターリング・エアガイド・モータ取付板はZAM、羽根はガラス長繊維入りポリプロピレン樹脂を採用。
●施工性が向上。
電源コードにアース線を追加。壁への取付可能。(水平方向への送風)
●専用取付金具(同梱)により俯仰角調整が可能。
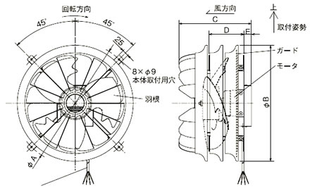
■外形寸法図

ビニールキャブタイヤケーブル0.75m㎡ 有効長1m
※M1357F-H30CTDS、M1357F-H35CTDSの場合:4芯、電源(アカ、シロ、クロ)、アース(ミドリ)
M1357F-H30CSDSの場合:3芯、電源(シロ、クロ)、アース(ミドリ)

●変化寸法表(単位:mm)
| 品番 |
A |
B |
C |
D |
E |
F |
G |
| M1357F-H30CSDS |
420 |
390 |
269.8 |
135.9 |
28 |
444 |
391 |
| M1357F-H30CTDS |
420 |
390 |
269.8 |
135.9 |
28 |
444 |
391 |
| M1357F-H35CTDS |
475 |
445 |
279.8 |
135.9 |
28 |
490 |
430 |
※形状は機種により多少異なります。
※据付けは取付金具の穴を利用しUボルト等(お客様手配品)で据付けてください。
※つり下げる場合はチェーン等(お客様手配品)でつってください。
■風速分布図
●M1357F-H30CSDS・M1357F-H30CTDS

●M1357F-H35CTDS

■特長
| 品番 |
M1357F-H30CSDS |
M1357F-H30CTDS |
M1357F-H35CTDS |
| 羽根径 |
30cm |
30cm |
35cm |
| 電源 |
単相100V |
3相200V |
3相200V |
| 周波数 |
50/60Hz |
50/60Hz |
50/60Hz |
| 公称出力 |
60W |
60W |
100W |
| 電流 |
50Hz |
1.00A |
0.50A |
0.83A |
| 60Hz |
0.91A |
0.43A |
0.70A |
| 消費電力 |
50Hz |
72W |
69W |
122W |
| 60Hz |
83W |
82W |
144W |
| 風量 |
50Hz |
51m3/min |
51m3/min |
80m3/min |
| 60Hz |
60m3/min |
60m3/min |
92m3/min |
| 騒音 |
50Hz |
50dB |
50dB |
56dB |
| 60Hz |
54dB |
54dB |
59dB |
| 起動電流 |
50Hz |
4.4A |
2.7A |
3.1A |
| 60Hz |
3.8A |
2.5A |
2.8A |
| 質量 |
6.5kg |
6.5㎏ |
8.3㎏ |
※上記風量値はJIS C9601によります。
※使用上のご注意
・必ず高所に水平据付けで使用してください。(床上1.8m以上)
・必ず接地工事を行ってください。
・使用電源を間違えないようにご注意してください。過熱、焼損の原因となります。
・エアガイドやインジェクターリングの中へは手や物を入れないでください。
・結線は確実に行ってください。
・雨水のかかるところでのご使用はできません。
・周囲温度-10℃~+45℃以外、相対湿度常温において90%以上となる場所では使用しないでください。
・羽根が上側または下側となる使用はしないでください。
・必ず電源コードが下側になるように据付けてください。
・高圧水洗浄時、ノズル先端をモータから50cm以上離して洗浄してください。
・1日50回以上のひんぱんな起動・停止を伴う使用は、羽根破損等の原因となりますので避けてください。
・送風機1台にモータブレーカ1個を必ず取り付けてください。
・漏電ブレーカを必ず設置してください。